应用规范
|
设计与制造
|
GB/T12235
|
|
|
连接端尺寸
|
结构长度
|
GB/T12221
|
|
法兰尺寸
|
JB/T79
|
|
|
检验与试验
|
JB/T9092
|
|
|
材料
|
碳钢
|
GB/T12229
|
|
不锈钢
|
GB/T12230
|
|
|
合金钢
|
Q/ZB66
|
|
|
标志
|
GB/T12220
|
|
|
供货
|
JB/T7928
|
|
性能规范
|
型号
|
公称
压力 |
试验压力
|
工作温度(℃)
|
||
|
强度
(水)Mpa |
密封
(水)空气(Mpa) |
低压密封
(空气)Mpa |
|||
|
H42W-16
|
1.6
|
2.4
|
1.8
|
0.6
|
≤200
|
|
H42W-25
|
2.5
|
3.8
|
2.8
|
0.6
|
≤200
|
|
H42W-40
|
4.0
|
6.0
|
4.4
|
0.6
|
≤200
|

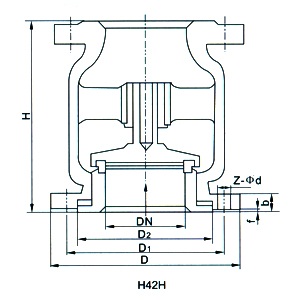
主要外形尺寸
|
型号
|
公称通径 DN
|
尺寸(mm)
|
||||||
|
L
|
D
|
D1
|
D2
|
H
|
b
|
Z-Φd
|
||
|
H42H/W-16
|
15
|
130
|
95
|
65
|
45
|
77
|
14
|
4-14
|
|
20
|
150
|
105
|
75
|
55
|
77
|
14
|
4-14
|
|
|
25
|
160
|
115
|
85
|
65
|
80
|
16
|
4-14
|
|
|
32
|
180
|
135
|
100
|
78
|
85
|
16
|
4-18
|
|
|
40
|
200
|
145
|
110
|
85
|
95
|
16
|
4-18
|
|
|
50
|
230
|
160
|
125
|
100
|
105
|
16
|
4-18
|
|
|
65
|
290
|
180
|
145
|
120
|
120
|
18
|
4-18
|
|
|
80
|
310
|
195
|
160
|
135
|
130
|
20
|
8-18
|
|
|
100
|
350
|
215
|
180
|
155
|
140
|
20
|
8-18
|
|
|
125
|
400
|
245
|
210
|
185
|
155
|
22
|
8-18
|
|
|
150
|
480
|
280
|
240
|
210
|
180
|
24
|
8-23
|
|
|
200
|
600
|
335
|
295
|
265
|
215
|
26
|
12-23
|
|
|
H42H/W-25
|
15
|
130
|
95
|
65
|
45
|
77
|
16
|
4-14
|
|
20
|
150
|
105
|
75
|
55
|
80
|
16
|
4-14
|
|
|
25
|
160
|
115
|
85
|
65
|
85
|
16
|
4-14
|
|
|
32
|
180
|
135
|
100
|
78
|
95
|
18
|
8-18
|
|
|
40
|
200
|
145
|
110
|
85
|
105
|
18
|
8-18
|
|
|
50
|
230
|
160
|
125
|
100
|
120
|
20
|
8-18
|
|
|
65
|
290
|
180
|
145
|
120
|
130
|
212
|
8-18
|
|
|
80
|
310
|
195
|
160
|
135
|
140
|
22
|
8-18
|
|
|
100
|
350
|
230
|
190
|
160
|
155
|
24
|
8-23
|
|
|
125
|
400
|
270
|
220
|
188
|
180
|
28
|
8-25
|
|
|
150
|
480
|
300
|
250
|
218
|
215
|
30
|
8-25
|
|
|
200
|
600
|
360
|
310
|
278
|
973
|
34
|
12-25
|
|




